Profitechnik24
0
zum Warenkorb
  • Landtechnik
  • Forstwerkzeuge für der Profi
  • Wellen,Bolzen,Laschen
  • Anlasser und Lichtmaschinen
  • Gartentechnik
  • Rasentraktor Batterie Wartungsfrei Motorrad Batterie Wartungsfrei
  • Traktor Farbe
  • Landmaschinen Farbe
  • Baumaschinen Stapler Farbe
  • Kommunalmaschinen Farbe
  • Spezialfarben
  • Rostschutz-Grundierung
  • Kunstharz-Verdünnung
  • Lackierzubehör
  • RAL Farbe 1K Maschinenlack
  • RAL Spraydose
  • Weidezaun Elektrozaun
  • Werkzeug Shop
  • Ersatzteile Rasentraktor Rasenmäher
  • Ersatzteile AGS Rasentraktor
  • Ersatzteile MTD
  • Luftfilter für Briggs & Stratton
  • Ersatzteile Stihl
  • Wartungskit für Briggs & Stratton Motor
  • Ersatzteile für Solo Gloria
  • Hydraulik Shop
  • Baumaschinen Technik
    • Bolzen mit Lasche
    • Bolzen gehärtet
    • Bolzen gehärtet mit Gewinde
    • Bolzen mit Schmiernippel Schmiernut
    • Bolzen Laschen
      • Bolzen Laschen 25mm
      • Bolzen 30mm Laschen
  • Winterartikel
  • Angebote
AGB | Versand | Zahlung | Kontakt
  • Icon Phone
    rufen Sie uns an
  • Icon Mail
    schreiben Sie uns

 

 

Bolzen Lasche 25 mm LP2

zurück zur Übersicht







 Artikel Nr.: UNLP250

6,25 €
incl. 19% MwSt. zzgl. Versand

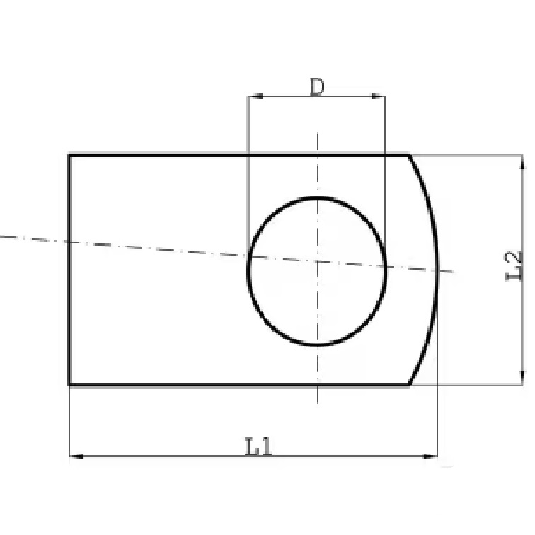
Laschen für Bolzen 30 mm LP2 für Land- und Baumaschinen Anschweiß Laschen Sichern den Bolzen gegen verdrehen und verschieben .Laschen für Bolzen sind in verschiedenen Ausführung in Top Qualität erhältlich DInnendurchmesser 25,5 mm L1Länge 120 mm L2Breite 50 mm Dicke 8 mm

Lieferzeit:1-3 Arbeitstage

Hinweis:

Anscheißlaschen für Bolzen 25mm in verschiedenen Ausführungen

Menge:


Anscheißlaschen für Bolzen 25mm in verschiedenen Ausführungen

VORTEILE

Erstklassige Qualität
Sichere Bezahlung
30-Tage Rückgaberecht
Top Kundensupport
Bei Fragen: Nehmen Sie Kontakt zu uns auf!
RS Bau und Landtechnik GbR
  • Kurzgasse 7
  • 91757 Treuchtingen/Auernheim
TELEFON
  • T.: 09142-8079993
  • M.: 0170 813 4149
E-MAIL
  • Schreiben Sie uns!
  • info@profitechnik24.de
RECHTLICHES
  • Impressum
  • Datenschutz 

Umsetzung: NATHUS MEDIA GmbH